Поиск товара:

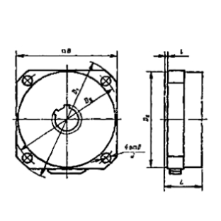
Муфта электромагнитная Э1ТМ 106-2Н (тормозная, масляная, шлицевое посадочное отверстие для центрирования по наружному диаметру)

Артикул: 44471

Состояние: Новый

Кол-во на складах: 1 шт.

Вес: 5300

Описание товара: D-40мм, d-36мм, b-7мм, число зубьев-8 D1-185мм, D2-135мм, D3-165мм, L-52мм, B-150мм, l-4мм, 4отв-d14мм номинальный передаваемый момент-250Нм Номинальный вращающий момент-160Нм номинальное напряжение-24В

Цена:
12 285 Руб.
Цена на товар указана с учетом НДС 5%

Счет на оплату придет автоматически, после оформления заказа через корзину.

Доставка по всей России